产品接线示意图

4路蓝牙照明控制器



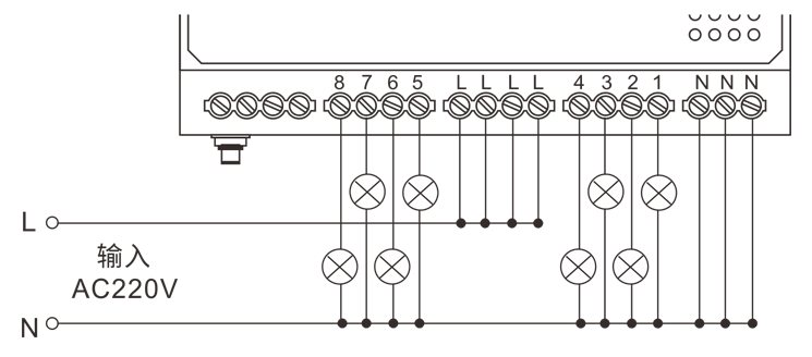
8路蓝牙照明控制器

接线注意事项:因为照明控制器不带漏电保护功能,所以照明控制器的输入火线需从空气开关漏电断路器接入。如是三相电,需要从同一相取电。输入火线需要至少单独接2条(任意2个接口),避免瞬间电流过大损坏控制器。